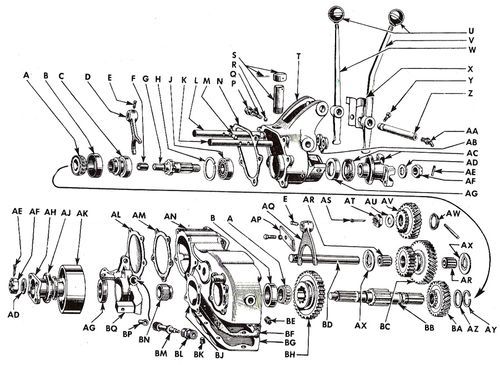
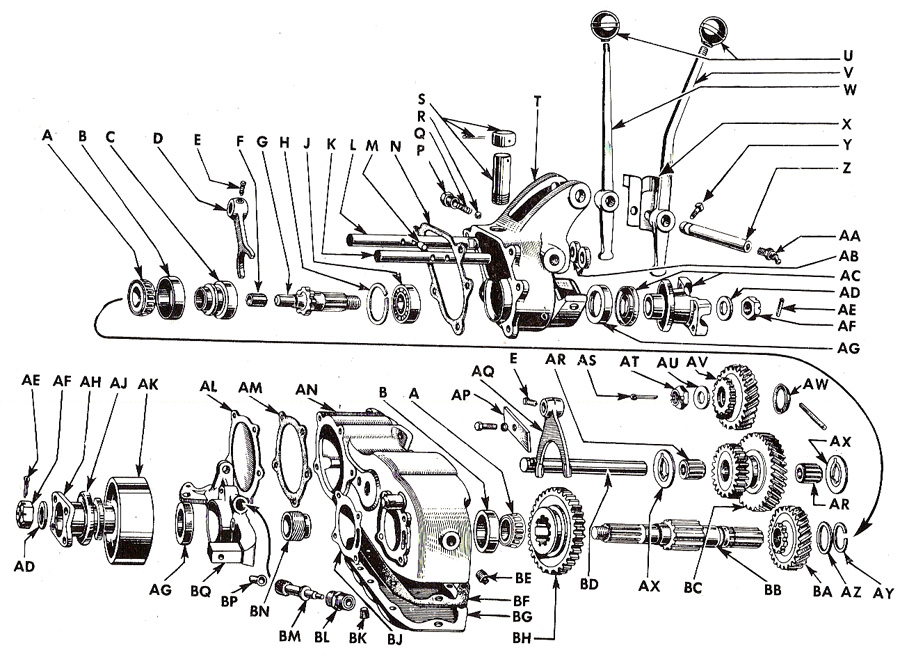
| Key |
Reférence |
Libellé |
Qté * |
Willys |
Ford |
Hotchkiss |
|
WO809294 |
Aiguille axe tf diam=31mm (jeu de 48) |
1 |
|
|
12.5 HT |
| BB |
WOA8841 |
Arbre a cannelures bt complet |
1 |
62 HT |
75 HT |
62 HT |
| G |
WOA975 |
Arbre commande pont avant |
1 |
32.5 HT |
40 HT |
32.5 HT |
| L |
WOA962 |
Axe de fourchette commande pont avant |
1 |
16 HT |
30 HT |
|
| K |
WOA1504 |
Axe de fourchette commande reducteur |
1 |
16 HT |
30 HT |
|
| BD |
WOA998 |
Axe de train fixe diam=19mm |
1 |
20 HT |
|
|
|
WOA998WOF |
Axe de train fixe diam=19mm origine wof net |
1 |
|
|
40 HT |
|
WO809292 |
Axe de train fixe diam=31mm net |
1 |
|
|
40 HT |
| F |
WOA987 |
Bague int d\'arbre a cannelures bt |
1 |
|
10 HT |
7.5 HT |
| R |
WO5599 |
Bille verrouillage axe de fourchette 3/8 net |
2 |
|
|
0.65 HT |
|
WOA1195 |
Boite de transfert complete f.a.m sangle occasion |
1 |
1300 HT |
1500 HT |
|
|
WOA8859 |
Boite de transfert complete fam tambour occasion |
1 |
1300 HT |
1500 HT |
|
|
HO-87700 |
Boite de transfert hotchkiss complete renove ( ιchange standard ) net |
1 |
|
|
1750 HT |
| BE |
WO5140 |
Bouchon conique de remplissage bt 1/2 |
1 |
2.8 HT |
|
|
| P |
WOA967 |
Bouchon de ressort bille verrouillage |
2 |
2 HT |
|
|
| BK |
WOA1104 |
Bouchon de vidange bt 1/2 |
1 |
1.9 HT |
|
|
|
HO87944 |
Bouchon hexagonal vidange & remplis bt net |
2 |
7 HT |
|
|
| BJ |
WOA6753 |
Cales reglage roulement ar bt ( jeu ) |
1 |
|
18 HT |
12.5 HT |
| BQ |
WOA1507 |
Carter arriere support f.a.m sangle |
1 |
56 HT |
70 HT |
|
|
WOA9341 |
Carter arriere support f.a.m tambour nu |
1 |
|
|
70 HT |
| T |
WOA956 |
Carter av support leviers |
1 |
90 HT |
110 HT |
73.5 HT |
| AN |
WOA1503 |
Carter bt diam=19mmm nu occasion |
1 |
500 HT |
600 HT |
|
|
HO-87876 |
Carter bt diam=31mm nu neuf de stock |
1 |
|
|
500 HT |
| AC |
WOA1106 |
Chape a fouche sortie av bt |
1 |
60 HT |
|
48 HT |
| AH |
WOA1105 |
Chape carre sortie ar bt |
1 |
60 HT |
|
46 HT |
| BG |
WOA953 |
Couvercle inferieur du carter bt |
1 |
30 HT |
|
25 HT |
| AL |
WOA1508 |
Couvercle visite arriere bt |
1 |
15 HT |
25 HT |
|
|
WOA979 |
Deflecteur chape arriere fam tambour |
1 |
|
|
3 HT |
| AJ |
WOA1111 |
Deflecteur chape avant & arriere fam sangle |
2 |
|
|
4.5 HT |
| M |
WOA965 |
Doigt de verrouillage axe de fourchette |
1 |
1.5 HT |
|
|
| AF |
WOA980 |
Ecrou a creneaux chape ar & av 3/4 -20 |
2 |
5.5 HT |
|
|
| AT |
WOA520 |
Ecrou sur pignon d\'entrainement bt |
1 |
3 HT |
|
|
| AT |
WOA520 ST |
Ecrou sur pignon d\'entrainement nylstop net |
1 |
7 HT |
|
|
|
WO809295 |
Entretoise roulement aiguilles axe=31mm |
3 |
|
|
2.1 HT |
| AE |
WO5134 |
Goupille ecrou woa520 & woa980 1/8 x 1"3/4 |
3 |
0.16 HT |
|
|
| N |
WOA957 |
Joint carter avant des leviers bt |
1 |
|
|
1.5 HT |
| AM |
WOA1509 |
Joint couvercle de visite ar bt |
1 |
|
|
1.75 HT |
| BF |
WOA954 |
Joint couvercle inferieur bt |
1 |
|
|
2.5 HT |
|
HO-87945 |
Joint de bouchon hexagonal |
2 |
|
|
0.75 HT |
|
WOA1134 |
Joint en papier sous spi av & ar |
2 |
|
|
0.8 HT |
| AC |
WOA974 |
Joint spi des axes de fourchette |
2 |
|
|
2 HT |
| AG |
WOA958 |
Joint spi sortie av & ar arbre bt |
2 |
|
|
3.5 HT |
|
WOA958 OR |
Joint spi sortie av & ar arbre bt ( surplus cuir ) |
2 |
3 HT |
|
|
|
WOA7443CPT |
Joints papier + 4 joints spi ( pochette ) |
1 |
17.5 HT |
|
|
|
WOA7443 |
Joints papier bt ( pochette ) |
1 |
13 HT |
20 HT |
10 HT |
|
WOA7445 |
Joints spi bt ( jeu de 4 ) |
1 |
11 HT |
|
|
| AY |
WOA991 |
Jonc du pignon sur arbre a cannelures bt |
1 |
3 HT |
|
|
| H |
WOA976 |
Jonc du roulement av bt |
1 |
2.3 HT |
|
|
|
WO809292 K |
Kit axe de train fixe diam=31mm |
1 |
|
|
70 HT |
| C |
WOA992 |
Manchon commande du pont av |
1 |
19.5 HT |
30 HT |
19.5 HT |
| BH |
WOA988 |
Pignon baladeur (37 dents) bt |
1 |
70 HT |
100 HT |
70 HT |
| AV |
WOA1510 |
Pignon entrainement (27 dents) bt |
1 |
150 HT |
200 HT |
125 HT |
| BA |
WOA989 |
Pignon fou (27 dents) bt net |
1 |
65 HT |
80 HT |
50 HT |
| BC |
WOA999 |
Pignon train fixe diam=19 (23/33 dents) bt |
1 |
200 HT |
250 HT |
|
|
HO-87877 |
Pignon train fixe diam=31 (23/33 dents) bt |
1 |
|
|
200 HT |
| AP |
WOA1001 |
Plaque arret axe train fixe bt |
1 |
1.2 HT |
|
1.1 HT |
| S |
WOA934 |
Reniflard de ventilation sur bt |
1 |
7 HT |
30 HT |
4 HT |
| Q |
WOA966 |
Ressort bille verouillage axe fourchette |
2 |
|
|
1.5 HT |
| AZ |
WOA990 |
Rondelle a ergot du pignon fou bt |
1 |
2.5 HT |
|
|
| AX |
WOA1000 |
Rondelle bimetal d\'axe tf diam=19mm |
2 |
8 HT |
|
|
|
WO809296 |
Rondelle bimetal d\'axe tf diam=31mm net |
2 |
|
|
12.5 HT |
|
WOA1135 |
Rondelle cuivre vis fix des carters 3/8 |
9 |
0.8 HT |
|
|
|
WO5010 |
Rondelle frein vis 3/8 |
11 |
0.12 HT |
|
|
|
WO51833 |
Rondelle frein vis couvercle inferieur 5/16 |
10 |
0.1 HT |
|
|
| AD |
WO636570 |
Rondelle plate d\'ecrou de chape av & ar |
2 |
0.8 HT |
|
|
| AU |
WOA1410 |
Rondelle sur pignon d\'entrainement bt |
1 |
1 HT |
|
|
| J |
WOA1007 |
Roulement a billes sortie av bt ( 6206 ) |
1 |
|
|
10 HT |
|
WO51575C |
Roulement cone & cuvette ( 14131-14276 ) |
2 |
|
|
27.5 HT |
| A |
WO51575 |
Roulement cone bt ( 14131 ) |
2 |
|
|
20 HT |
| B |
WO52883 |
Roulement cuvette bt ( 14276 ) |
2 |
|
|
8 HT |
| AR |
WOA924 |
Roulement train fixe(hyatt-94322) d=19mm |
2 |
|
|
9 HT |
|
WO51405 |
Vis fix boite transfert 3/8-16 x 1" |
1 |
0.7 HT |
|
|
|
WO52911 |
Vis fix boite transfert 3/8-16 x 1"1/8 |
5 |
1.5 HT |
|
|
|
WOA9336 |
Vis fix carter ar f.a.m tambour 3/8-16 x 1" |
1 |
0.7 HT |
|
|
|
WOA9334 |
Vis fix carter ar f.a.m tambour 3/8-16 x 2"1/2 |
2 |
1 HT |
|
|
|
WOA9337 |
Vis fix carter ar f.a.m tambour 3/8-16 x 2"1/4 |
1 |
1 HT |
|
|
|
WO6412 |
Vis fix couvercle arriere 3/8-16 x 3/4 |
5 |
0.7 HT |
|
|
|
WO51485 |
Vis fix couvercle inferieur 5/16-18 x 5/8 |
10 |
0.5 HT |
|
|
|
WO52189 |
Vis fix plaque arret 3/8-16 x 5/8 |
1 |
0.7 HT |
|
|
|
WOA1137 |
Vis percee fix carter ar f.a.m sangle |
3 |
1.3 HT |
|
|
|
WOA1136 |
Vis percee fix carters woa956 &woa1507 |
6 |
1.3 HT |
|
|