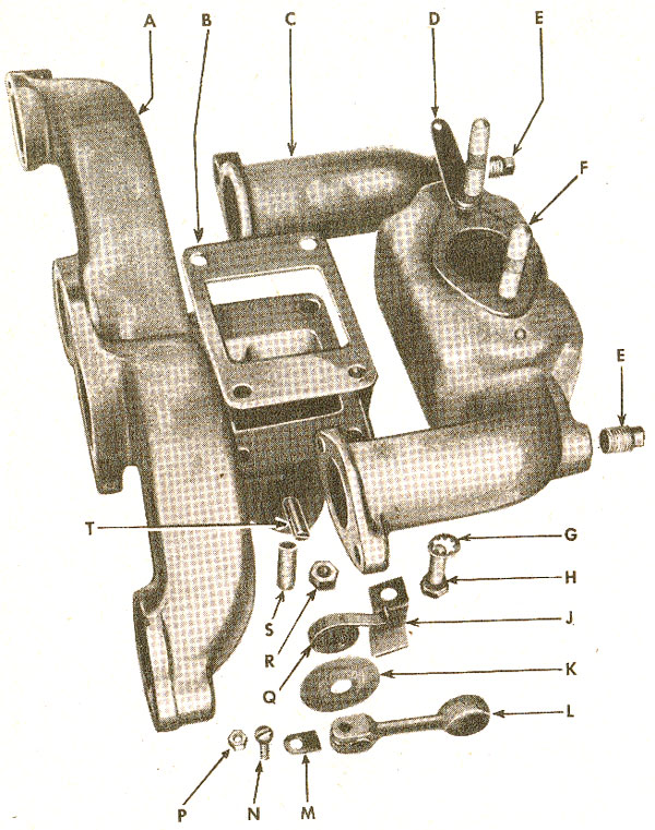
Key Reférence Libellé Qté * Willys Ford Hotchkiss
E WO5138 Bouchon sur collecteur admission 2 2 € HT
C WOA1166 Collecteur d\'admission nu net 1 120 € HT
A WOA912 Collecteur d\'echappement net 1 500 € HT 750 € HT 220 € HT
WOA912FR Collecteur d\'echappement nu wof net 1 320 € HT
WO52542 Ecrou goujons collecteurs 3/8-24 7 0.6 € HT
WO300143 Goujon collecteur court 1" 1/2 3 3.25 € HT
WO349712 Goujon collecteur long 1" 15/16 2 3.25 € HT
WO632159 Goujon collecteur moyen 1" 11/16 2 3.3 € HT
WO638640 Joint collecteur adm/echap sur bloc 1 6 € HT
B WO634811 Joint entre collecteur adm-echappement 1 2.3 € HT 4 € HT 0.9 € HT
WO634814 Joint pipe echappement 1 1.5 € HT
WOA7835 Joints collecteurs ( pochette ) 1 30 € HT 9.5 € HT
WOa1165KIT Kit goujons + ecrous fix collecteurs ( jeu de 7 ) 1 24 € HT
G WO52428 Rondelle frein interieure 5/16 4 0.1 € HT
WO344732 Rondelle large speciale fixation collecteurs 2 1 € HT
H WO51486 Vis ass collect adm-echap 5/16-18 x 1" 4 0.5 € HT
* Nombre de pièces nécessaires dans le groupe désigné.
Attention tous les prix sont unitaires et hors taxes.